A journal of IEEE and CAA , publishes high-quality papers in English on original theoretical/experimental research and development in all areas of automation
Volume 12 Issue 11
Nov.  2025

IEEE/CAA Journal of Automatica Sinica

  • JCR Impact Factor: 19.2, Top 1 (SCI Q1)
    CiteScore: 28.2, Top 1% (Q1)
    Google Scholar h5-index: 95, TOP 5
Turn off MathJax
Article Contents
X. Liu and Z. Wang, “Optimal Lyapunov function and minimum amplitude control for disturbed linear systems,” IEEE/CAA J. Autom. Sinica, vol. 12, no. 11, pp. 2264–2274, Nov. 2025. doi: 10.1109/JAS.2025.125252
Citation: X. Liu and Z. Wang, “Optimal Lyapunov function and minimum amplitude control for disturbed linear systems,” IEEE/CAA J. Autom. Sinica, vol. 12, no. 11, pp. 2264–2274, Nov. 2025. doi: 10.1109/JAS.2025.125252

Optimal Lyapunov Function and Minimum Amplitude Control for Disturbed Linear Systems

doi: 10.1109/JAS.2025.125252
Funds:  This work was supported in part by the National Natural Science Foundation of China (62373089)
More Information
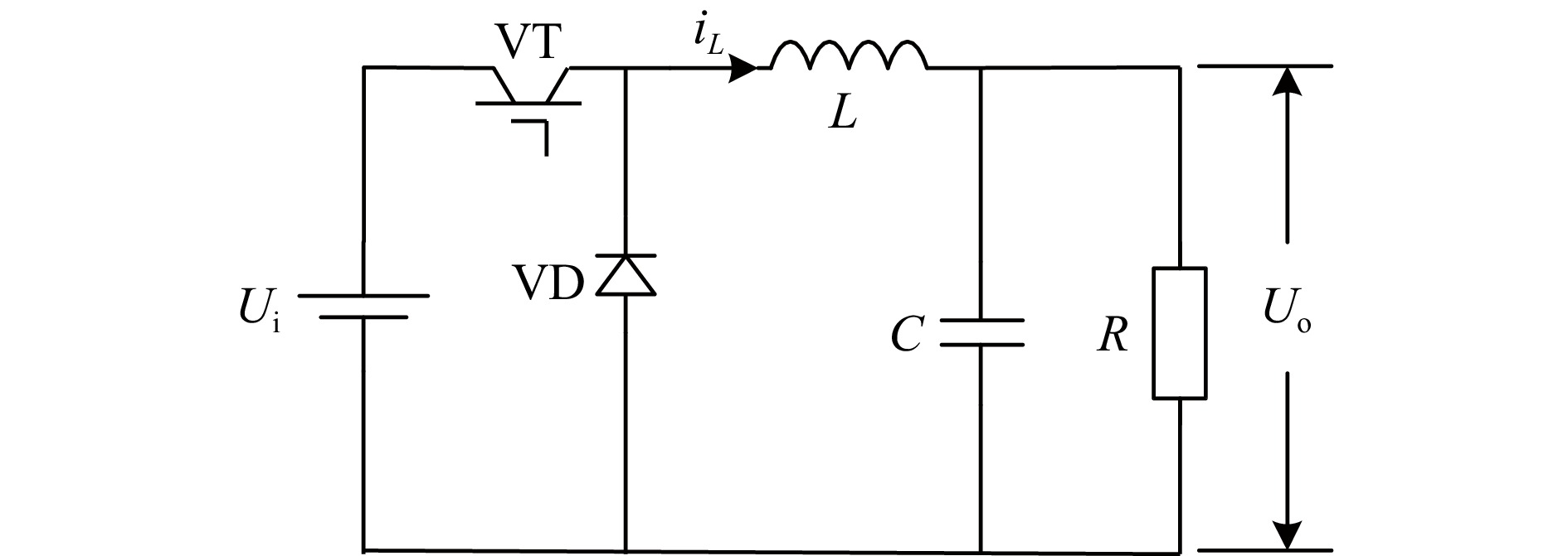
  • It is a challenging issue to obtain the minimum amplitude control for linear systems subject to amplitude-bounded disturbances. The difficulty is how to accurately give the quantitative relationship between the system H norm and control parameters. An optimal-Lyapunov-function-based controller design concept is proposed, and a minimum amplitude control scheme is presented under amplitude-bounded disturbances. Firstly, the optimal Lyapunov function is proposed by analyzing the geometric characteristics of the system H norm, and the necessary and sufficient condition of the optimal Lyapunov function parameter matrix is given. Secondly, the optimal Lyapunov function parameter matrix is constructed in the parameterized matrix equation, and the accurate quantitative relationship between the system H norm and control parameters is given. Finally, the control parameter optimization method is proposed according to the quantitative relationship between the system H norm and control parameters. Unlike robust optimization control methods, the presented minimum amplitude control scheme avoids the improper selection of the Lyapunov function in the controller design, and provides a novel way to design the minimum amplitude control under the given control accuracy. A buck converter example is given to illustrate the effectiveness and practicability of the presented scheme.

     

  • loading
  • [1]
    B. Wu, High-Power Converters and AC Drives. New Jersey, USA: IEEE Press, 2006.
    [2]
    M. C. Obaiah and B. Subudhi, “A delay-dependent anti-windup compensator for wide-area power systems with time-varying delays and actuator saturation,” IEEE/CAA J. Autom. Sinica, vol. 7, no. 1, pp. 106–117, Jan. 2020. doi: 10.1109/JAS.2019.1911558
    [3]
    X. Lyu and Z. Lin, “PID control of planar nonlinear uncertain systems in the presence of actuator saturation,” IEEE/CAA J. Autom. Sinica, vol. 9, no. 1, pp. 90–98, Jan. 2022. doi: 10.1109/JAS.2021.1004281
    [4]
    G. W. Gabriel, T. R. Goncalves, and J. C. Geromel, “Optimal and robust sampled-data control of Markov jump linear systems: A differential LMI approach,” IEEE Trans. Autom. Control, vol. 63, no. 9, pp. 3054–3060, Sept. 2018. doi: 10.1109/TAC.2018.2797212
    [5]
    J. C. Geromel, P. Colaneri, and P. Bolzern, “Differential linear matrix inequality in optimal sampled-data control,” Automatica, vol. 100, pp. 289–298, 2019. doi: 10.1016/j.automatica.2018.11.021
    [6]
    H. Dong, Z. Wang, S. Ding, and H. Gao, “On H estimation of randomly occurring faults for a class of nonlinear time-varying systems with fading channels,” IEEE Trans. Autom. Control, vol. 61, no. 2, pp. 479–484, Feb. 2016. doi: 10.1109/TAC.2015.2437526
    [7]
    E. Tian, Z. Wang, L. Zou, and D. Yue, “Chance-constrained H control for a class of time-varying systems with stochastic nonlinearities: The finite-horizon case,” Automatica, vol. 107, pp. 296–305, Jun. 2019. doi: 10.1016/j.automatica.2019.05.039
    [8]
    A. Polański, “On infinity norms as Lyapunov functions for linear systems,” IEEE Trans. Autom. Control, vol. 40, no. 7, pp. 1270–1274, Jul. 1995. doi: 10.1109/9.400479
    [9]
    X. Liu and Z. Wang, “Calculation of the system H norm: A Lyapunov function optimization method,” Acta Autom. Sinica, vol. 45, no. 8, pp. 1606–1610, Aug. 2019.
    [10]
    F. Amato, R. Ambrosino, M. Ariola, G. D. Tommasi, A. Pironti, “On the finite-time boundedness of linear systems,” Automatica, vol. 107, pp. 454–466, Jul. 2019. doi: 10.1016/j.automatica.2019.06.002
    [11]
    Y. Hosoe and T. Hagiwara, “Equivalent stability notions, Lyapunov inequality, and its application in discrete-time linear systems with stochastic dynamics determined by an i.i.d. process,” IEEE Trans. Autom. Control, vol. 64, no. 11, pp. 4764–4771, Nov. 2019. doi: 10.1109/TAC.2019.2905216
    [12]
    Y. Ju, D. Ding, X. He, Q. Han, and G. Wei, “Consensus control of multi-agent systems using fault-estimation-in-the-Loop: Dynamic event-triggered case,” IEEE/CAA J. Autom. Sinica, vol. 9, no. 8, pp. 1440–1451, Aug. 2022. doi: 10.1109/JAS.2021.1004386
    [13]
    S. Tarbouriech, I. Queinnec, T. Alamo, M. Fiacchini, and E. F. Camacho, “Ultimate bounded stability and stabilization of linear systems interconnected with generalized saturated functions,” Automatica, vol. 47, pp. 1473–1481, Mar. 2011. doi: 10.1016/j.automatica.2011.02.020
    [14]
    X. Zhao, S. Zou, and Z. Ma, “Decentralized resilient H load frequency control for cyber-physical power systems under DoS attacks,” IEEE/CAA J. Autom. Sinica, vol. 8, no. 11, pp. 1737–1751, Nov. 2021. doi: 10.1109/JAS.2021.1004162
    [15]
    H. L. Trentelman, K. Takaba, and N. Monshizadeh, “Robust synchronization of uncertain linear multi-agent systems,” IEEE Trans. Autom. Control, vol. 58, no. 6, pp. 1511–1523, Jun. 2013. doi: 10.1109/TAC.2013.2239011
    [16]
    C. Xiang, S. Ma, S. Kuang, and D. Dong, “Coherent H control for linear quantum systems with uncertainties in the interaction Hamiltonian,” IEEE/CAA J. Autom. Sinica, vol. 8, no. 2, pp. 432–440, Feb. 2021. doi: 10.1109/JAS.2020.1003429
    [17]
    A. Selivanov and E. Fridman, “Boundary observers for a reaction-diffusion system under time-delayed and sampled-data measurements,” IEEE Trans. Autom. Control, vol. 64, no. 8, pp. 3385–3390, Aug. 2019. doi: 10.1109/TAC.2018.2877381
    [18]
    M. M. Peet, “A dual to Lyapunov’s second method for linear systems with multiple delays and implementation using SOS,” IEEE Trans. Autom. Control, vol. 64, no. 3, pp. 944–959, Mar. 2019. doi: 10.1109/TAC.2018.2832470
    [19]
    M. Hejri, “Global practical stabilization of discrete-time switched affine systems via a general quadratic Lyapunov function and a decentralized ellipsoid,” IEEE/CAA J. Autom. Sinica, vol. 8, no. 11, pp. 1837–1851, Nov. 2021. doi: 10.1109/JAS.2021.1004183
    [20]
    A. Argha, S. W. Su, and B. G. Celler, “Control allocation-based fault tolerant control,” Automatica, vol. 103, pp. 408–417, Feb. 2019. doi: 10.1016/j.automatica.2019.02.014
    [21]
    H. Zhang, J. Han, Y. Wang, and H. Jiang, “H consensus for linear heterogeneous discrete-time multiagent systems with output feedback control,” IEEE Trans. Cybern., vol. 49, no. 10, pp. 3713–3721, Oct. 2019. doi: 10.1109/TCYB.2018.2849361
    [22]
    D. Xu, H. Ma, and Y. Wang, Power Electronics. Beijing, China: China Science Press, 2006.

Catalog

    通讯作者: 陈斌, bchen63@163.com
    • 1. 

      沈阳化工大学材料科学与工程学院 沈阳 110142

    1. 本站搜索
    2. 百度学术搜索
    3. 万方数据库搜索
    4. CNKI搜索

    Figures(4)  / Tables(3)

    Article Metrics

    Article views (18) PDF downloads(2) Cited by()

    /

    DownLoad:  Full-Size Img  PowerPoint
    Return
    Return